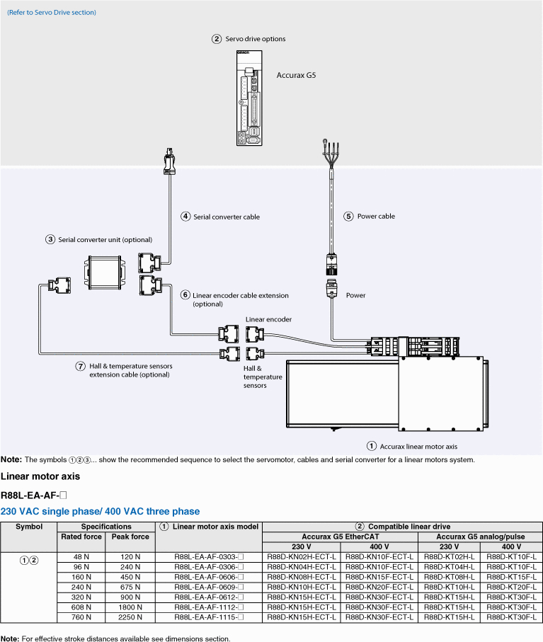
Лінійні серводвігателі серії Accurax Linear Axis

  Вдосконалені лінійні осі двигуна

Високоефективні лінійні електродвигуни з залізним сердечником і магнітними доріжками пропонуються у вигляді широкого ряду стандартних осей лінійних двигунів загальною кількістю понад 100.

  • Низька маса переміщення забезпечує високу динаміку;
  • Оптимізоване співвідношення ходу/довжини виробу;
  • Максимальна швидкість до 5 м / с з повторюваністю 1 мкм;
  • Компактна і ефективна конструкція;
  • Висока універсальність і готовність до використання.
Характеристики и информация для заказа: