Замовник: ПРАТ «ЦГОК»
Назва проекту: Модернізація АСУ турбокомпресорів К-250
Опис проекту:
Метою було створення системи управління підвищеної надійності з розширеними функціональними можливостями на базі сучасних засобів мікроелектроніки для керування компресорною станцією. А також підвищення ефективності експлуатації компресорної станції.
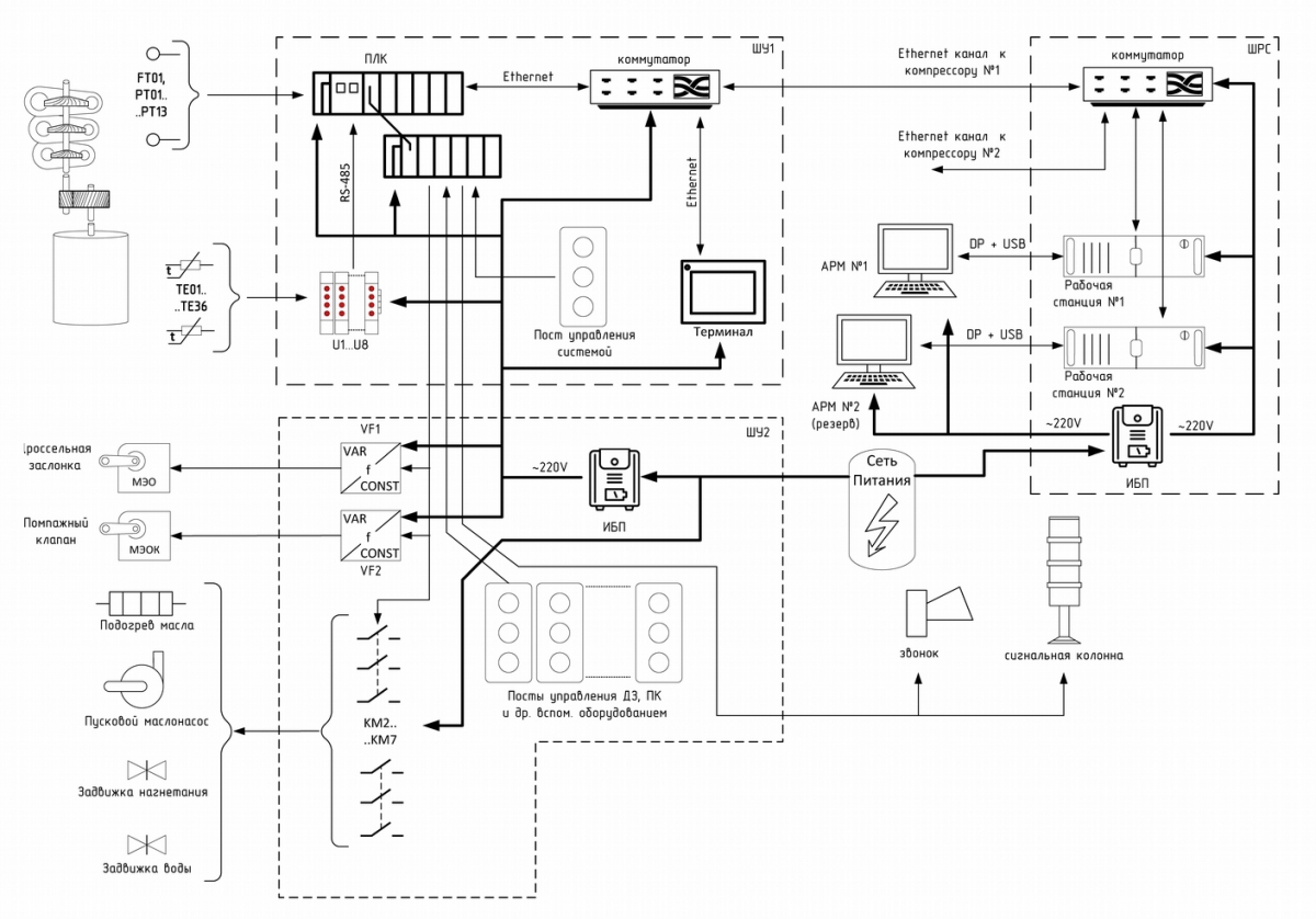
АСУ К-250 являє собою складний комплекс апаратно-програмних засобів, до складу яких входять:
Структурна схема

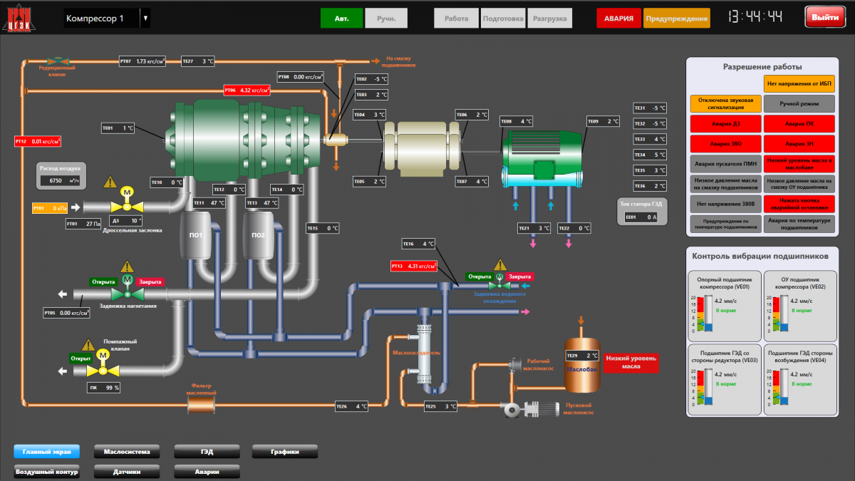
Вся необхідна інформація відображається на мониторі оператора за допомогою SCADA
Контроль та керування також здійснюється за допомогою терміналу OMRON NW10W.
